6t体育

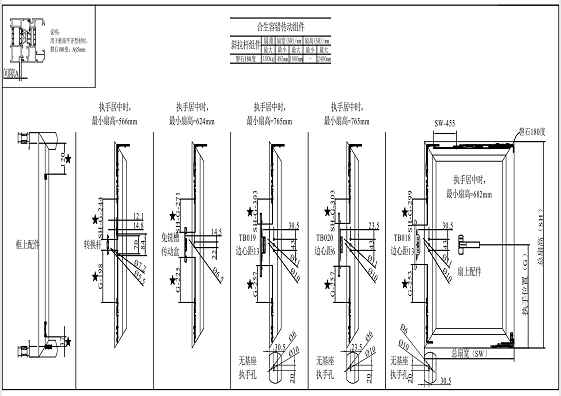
容错传动组件 磐石系列180度内开内倒系统安装图纸

2024-10-21 13:54:14

请填写留言表 方可下载
var _hmt = _hmt || []; (function() { var hm = document.createElement("script"); hm.src = "https://hm.baidu.com/hm.js?25a8b6ddd6dc7b9a90aeb1f51e218aa6"; var s = document.getElementsByTagName("script")[0]; s.parentNode.insertBefore(hm, s); })(); 6T官网(体育)网站IOS/安卓/手机APP下载 IM(股份有限公司)电竞-电子竞技平台 im电竞·(中国)电子竞技平台 IM(股份有限公司)电竞-电子竞技平台 im电竞·(中国)电子竞技平台